[10szt] MGF4919G 12GHz 4V 60mA GaAsFET SMD-CEREC-X MITSUBISHI
duża ilość
Cena regularna:
towar niedostępny
dodaj do przechowalni
Opis
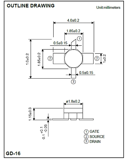
Nazwa: MGF4919G
Obudowa: SMD-CEREC-X
Data Produkcji: 00
Producent: MITSUBISHI ELECTRIC
Opis: GaAs FET U=4V Id=0.06A P=0.05W f-12GHz, Nf=0.5dB , MGF4919G-01, gold plated, BLACK *12GHz 4V 60mA GaAsFET
RoHs: Nie/Pb
Waga: 0,01 [kg] netto
Podana cena dotyczy: 10 szt.
Symbol magazynowy / Index: TS-MGF4919/1



Koszty dostawy
Cena nie zawiera ewentualnych kosztów płatności
Darmowa dostawa

